Round manway

K-MC (DN600-DN800)

  • Pressure up to 6.0 bar (depending on version)
  • Mounting in the side wall of the tank
  • Opening to the inside
  • Made of stainless steel AISI 316Ti (external parts: AISI 304/AISI 321, aluminium)
  • Gasket material: NBR or Viton
  • Available diameters: DN600 / DN800

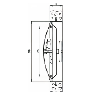
Stainless steel round pressure manway K-MC (opening inwards)

Pressure manway K-MC (produced in DN600 and DN800 versions) is a unique design that has been developed for use in steel or cement water tanks.

 

There are available versions for two pressure ranges:

  • up to 35 mH2O,
  • up to 60 mH2O.

Importantly, all elements of the manway that come into direct contact with the working medium are made of acid-resistant steel of the AISI 316Ti (1.4571) grade. Such a solution significantly expands the manway's use in applications requiring resistance to the corrosive effects of many chemical or organic substances.

 

Depending on the version, the manway can be successfully installed in both horizontal and vertical positions. Moreover, the frame of the circular manway (if necessary) is shaped during production so that it is suitable for installation on a flat or convex surface.

Round manway K-MC - application

The main area of application for the manways included in this series are:

  • stainless steel and cement tanks,
  • chambers used in industrial applications,
  • all kinds of process equipment.

Thanks to the large opening, the K-MC pressure manway (DN600/DN800) provides safe access to the inside of the tank or equipment for technical services.

Model ØA (DN)
[mm]
ØB
[mm]
C
[mm]
Weight
[kg]
MAX
[bar]
K-MC600-210 600 708 210 ~60 3.5
K-MC600-240 600 708 240 ~67 6.0
K-MC800-250 800 908 250 ~76 3.5
K-MC800-270 800 908 270 ~92 6.0

*If you order a version designed for installation in a cement base, define the dimension "D". 

Technical parameters

Product seriesSeries K
ShapeRound manways
TypePressure manway
Frame height (in mm)150 mm
Frame wall thickness (in mm)4.0 mm
Opening typeInward
SizeDN501 - DN700, above DN700
Mounting methodin the tank side wall (side manways)
Pressure2.51 - 4.5 bar, 4.51 - 6.5 bar
Vacuum pressurenot applicable
PED certificateno
Steel gradeOther
Gasket materialNBR, Viton
Handwheel materialOther

We use cookies

We use cookies to facilitate the use of our websites, for statistical and advertising purposes. If you do not block these files, you agree to their use and saving them in your device's memory. Remember that you can change your browser settings yourself to block the saving of cookies. For more information, see our Privacy Policy.
contact us