Stainless steel round manway Boyer series P33-150
Series includes: P33-150, P33-230, P33-330, P33-430, P33-530, P33-630
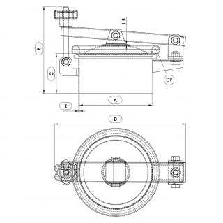
The Boyer P33-150 round manway is the smallest one in the series, which includes a total of six items with opening diameters: 145, 220, 296, 393, 500 and 600 mm. All manways in the series are equipped with a hinged cover and a wide arm.
The solid construction allows quick and easy access to the inside of the tank and durability of the product. Manway components are manufactured from stainless steels in grades AISI 304L and/or AISI 316L. Both the Boyer P33-150 round manway and the other models included in this series belong to the group of very versatile round manways, which are widely used in the food and related industries.
Round manways P33-150 - application
Round manways of the P33-150 series are installed in various types of non-pressure tanks and process equipment. The main areas of application for this manway model are:
- food and dairy industry,
- beverage and alcohol production industry,
- vegetable and fruit processing.
Due to its universal design and wide range of available sealing materials, this manway can also be used in the areas of:
- biotechnology,
- chemical industry,
- cosmetic industry and similar areas.
About Boyer products
Products of the French manufacturer Boyer guarantee the highest quality of construction and durability. Attention to every detail in the production process results in extremely high resistance, comfort of use and beautiful design of the manways.
They are excellent for applications where it is necessary to use a product that meets the highest standards. For this reason, Boyer brand manways are among the most popular in Europe.

Model | A (DN) [mm] | C [mm] | E [mm] | B [mm] | D [mm] | MAX [bar] | Weight [kg] |
---|---|---|---|---|---|---|---|
P33-150 | 145 | 80 | 2 | 168 | 262 | 0.4 | 3.0 |
P33-230 | 220 | 80 | 2 | 175 | 338 | 0.1 | 4.0 |
P33-330 | 296 | 80 | 2 | 175 | 417 | 0.1 | 5.0 |
P33-430 | 393 | 80 | 2 | 175 | 515 | 0.05 | 6.0 |
P33-530 | 500 | 80 | 2 | 175 | 618 | 0.05 | 9.0 |
P33-630 | 600 | 80 | 2 | 175 | 718 | 0.05 | 11.00 |
Technical parameters
Shape | Round manways |
---|---|
Type | Non-pressure manway |
Frame height (in mm) | 80 mm |
Frame wall thickness (in mm) | 2.0 mm |
Opening type | Outward |
Size | below DN300, DN300 - DN500, DN501 - DN700 |
Mounting method | in the tank roof (top manways) |
Pressure | below 0.5 bar |
Vacuum pressure | not applicable |
PED certificate | no |
Steel grade | AISI 304/304L, AISI 316/316L |
Gasket material | EPDM, NBR, Neoprene, Silicone, Silicone (high temperature - up to 250°C), Viton, Other |
Handwheel material | INOX, Other |