Round manway series A930
Round manway series A930 is a solid construction, which is made of AISI 304 or AISI 316L stainless steel. As standard, the manway is equipped with a plastic handwheel (optional INOX or aluminum).
Manway of this type are manufactured in two versions - with a gasket mounted on the frame (A930) or with a gasket in the cover (A930B). The A930 series manway is installed in the roof of a stainless steel tank. The cover of the A930 series manway opens upwards with the possibility of sliding aside. The smooth, convex surface does not retain water.
A large range of mounting frame heights is available, so the manway can be easily built into stainless steel insulated tanks.
The use of stainless steel round manway series A930
The main area of application is:
- food industry,
- dairy,
- beverage and alcohol production.
It is also used with good effect in industrial non-pressure equipment not directly related to food production, such as in the chemical industry and power generation.
In general, the manway can be installed wherever the parameters of the materials used in its construction allow the application.

Model | DN [mm] | Di [mm] | HxSP1 [mm] | HT [mm]* | SP2 [mm] | MAX [bar]* |
Weight [kg] |
---|---|---|---|---|---|---|---|
A929 | 220 | 220 |
60x2** 100x2 150x2 200x2 250x2 |
150 | 1.5 | 0.04 | 3.0 |
A930 | 300 | 295 | 155 | 1.5 | 0.03 | 4.0 | |
A932 | 400 | 395 | 160 | 1.5 | 0.02 | 5.2 | |
A934 | 500 | 500 | 165 | 1.5 | 0.02 | 7.0 | |
A935 | 600 | 600 | 170 | 1.5 | 0.01 | 9.5 | |
A928B | 150 | 150 | 140 | 1.5 | 0.04 | 2.3 | |
A929B | 220 | 220 | 145 | 1.5 | 0.04 | 3.5 | |
A930B | 300 | 295 | 150 | 1.5 | 0.03 | 4.3 | |
A932B | 400 | 395 | 155 | 1.5 | 0.02 | 6.0 | |
A934B | 500 | 500 | 160 | 1.5 | 0.02 | 7.7 | |
A935B | 600 | 600 | 165 | 1.5 | 0.01 | 10.3 |
*For the standard version (HxSP1 = 60x2 mm).
**Standard version.
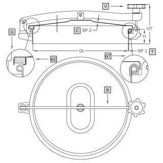
Symbol | Element |
---|---|
V | handwheel |
C | cover |
T | frame |
B | arem |
GC |
gasket in the cover |
GT | gasket on the frame |
Technical parameters
Product series | Series A |
---|---|
Shape | Round manways |
Type | Non-pressure manway |
Frame height (in mm) | 60-250 mm |
Frame wall thickness (in mm) | 2.0 mm |
Opening type | Outward |
Size | below DN300, DN300 - DN500, DN501 - DN700 |
Mounting method | in the tank roof (top manways) |
Pressure | below 0.5 bar |
Vacuum pressure | not applicable |
PED certificate | no |
Steel grade | AISI 304/304L, AISI 316/316L |
Gasket material | EPDM, NBR, Neoprene, Silicone, Viton |
Handwheel material | Plastic, INOX |