Round manway series A800
Round manway series A800 is a solid construction, which is made of AISI 304/304L or AISI 316L stainless steel. As standard, the manway is equipped with a large plastic handwheel. Optionally, INOX 10x10 handwheels are available for DN300 and 15x15 for diameters from DN380 to DN420.
This type of manway is installed in the side wall of the stainless steel tank. It is particularly suitable for applications where it is necessary to quickly empty the tank of its contents.
Depending on the diameter, the A800 model comes with two types of covers. The DN300 manways are fitted with smooth covers, while the DN380 to DN420 sizes are fitted with embossed covers. In the case of DN380-DN420 manways, it is optionally possible to make a frame of 8 mm thick sheet metal.
The use of stainless steel round manway series A800
The main areas of application are:
- food production and processing,
- vegetable and fruit processing,
- dairy production.
In general, the manways can be installed wherever the application is allowed by the parameters of the materials used in its construction.


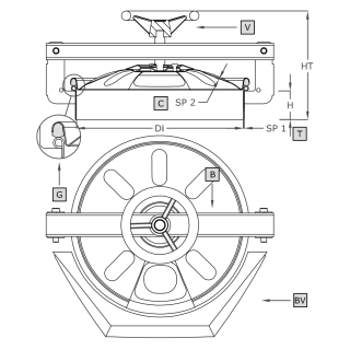
Model | DN [mm] | Di [mm] | HxSP1 [mm] | HT [mm]* | SP2 [mm] | MAX [bar]* |
Weight [kg] |
|
---|---|---|---|---|---|---|---|---|
A800 | 300 | 295 |
60x2** |
175 | 1.0 | 0.5 | 5.0 | |
A801 | 380 | 375 |
60x2** 100x2 60x8 100x8 |
230 | 1.2 | 0.7 | 7.6 | |
A802 | 400 | 395 | 235 | 1.5 | 0.7 | 8.0 | ||
A803 | 420 | 415 | 245 | 1.5 | 0.7 | 8.2 |
*For the standard version (HxSP1 = 60x2 mm).
**Standard version.
Symbol | Element |
---|---|
V | handwheel |
C | cover |
G | gasket |
T | frame |
BV | drip |
Technical parameters
Product series | Series A |
---|---|
Shape | Round manways |
Type | Pressure manway |
Frame height (in mm) | 60-100 mm |
Frame wall thickness (in mm) | 2.0-8.0 mm |
Opening type | Outward |
Size | DN300 - DN500 |
Mounting method | in the tank side wall (side manways) |
Pressure | 0.5 - 2.5 bar |
Vacuum pressure | not applicable |
PED certificate | no |
Steel grade | AISI 304/304L, AISI 316/316L |
Gasket material | EPDM, NBR, Neoprene, Silicone, Viton |
Handwheel material | Plastic, INOX |