Round manway series A520
Round manway series A520 is an extremely versatile pressure manway that, depending on its diameter, offers operating pressures from -0.5 bar (vacuum) to +3.0 bar.
It is great for use in a wide range of pressure vessels, as well as in industrial process and process equipment. The round manway of this type is manufactured from AISI 304L stainless steel as standard. On request, it is also available in AISI 316L grade steel. The basic version of the manway is equipped with plastic handwheels and an EPDM (FDA) gasket. INOX handwheels and seals made of other elastomers are available as an option, depending on the properties of the working medium.
A handle mounted on the cover makes it easy for the user to lift it, and a hinge stabilizes the cover in the opened position. The A520 model is mounted in the roof of a stainless steel pressure tank.
Manways of the A520 series with diameters DN200/300/500/600 have a smooth surface. DN380/400/420 diameters are equipped with embossed covers.
The use of stainless steel round manway series A520
Examples of applications where A520 series manways will work well:
- non-pressure stainless steel tanks,
- industrial chambers,
- technological and production equipment,
- all types of non-pressure applications in environments requiring increased corrosion resistance.

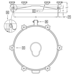
Model | DN [mm] | Di [mm] | HxSP1 [mm] | HT [mm]* | SP2 [mm] | Handwheels | MAX [bar]* |
Weight [kg] |
---|---|---|---|---|---|---|---|---|
A519 | 200 | 195 |
60x8** 100x8 |
125 | 1.0 | 4 | +3.0/-0.5 | 7.0 |
A520 | 300 | 295 | 125 | 1.0 | 4 | +3.0/-0.5 | 9.0 | |
A521 | 380 | 375 | 120 | 1.0 | 4 | +2.0/-0.6 | 10.5 | |
A522 | 400 | 395 | 125 | 1.2 | 6 | +2.0/-0.6 | 11.8 | |
A523 | 420 | 415 | 125 | 1.2 | 6 | +2.0/-0.6 | 13.0 | |
A524 | 500 | 500 | 125 | 1.2 | 6 | +1.3/-0.5 | 14.5 | |
A525 | 600 | 600 | 125 | 1.5 | 6 | +1.0/-0.5 | 18.5 |
*For the standard version (HxSP1 = 60x8 mm).
**Standard version.
Symbol | Element |
---|---|
V | handwheel |
C | cover |
G | gasket |
T | frame |
B | arm |
Technical parameters
Product series | Series A |
---|---|
Shape | Round manways |
Type | Pressure manway |
Frame height (in mm) | 60-100 mm |
Frame wall thickness (in mm) | 8.0 mm |
Opening type | Outward |
Industry | Chemical, Food production |
Size | below DN300, DN300 - DN500, DN501 - DN700 |
Mounting method | in the tank roof (top manways) |
Pressure | 0.5 - 2.5 bar, 2.51 - 4.5 bar |
Vacuum pressure | up to -0.5 bar, from -0.51 to -1.0 bar |
PED certificate | no |
Steel grade | AISI 304/304L, AISI 316/316L |
Gasket material | EPDM, NBR, Neoprene, Silicone, Viton |
Handwheel material | Plastic, INOX |