Round manway series BP420-490 (with clamp closure)
Round manways Clamp BP420 (DN427) and BP490 (DN495) are manufactured from stainless steel in AISI 304 or AISI 316L grades. They are widely used in stainless steel tanks, especially in those in the food, chemical, biotechnology and related industries.
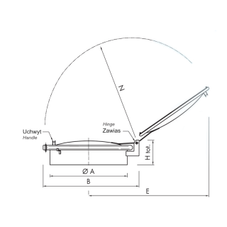
Manways in this series are closed using a clamp with a safety pin to prevent the cover from unsealing.
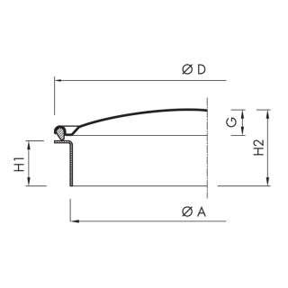
The manway cover is polished as standard (on request, the entire manway surface can be polished or satin-finished).
By default, BP420 and BP490 manways have a frame (H) height of 100 mm. It is possible to extend the flange to a height of up to 1000 mm on special request.
Round manway series BP420 i BP490 - application
The main area of application for the manway are the food, dairy, beverage and liquor industries. They are also used with good results in fruit and vegetable processing, cosmetics, biotechnology and chemical industries.
Due to the use of a clamp closure in the manway, it will also work well in all kinds of pallet tanks and equipment where it is necessary to frequently and efficiently inspect the interior.
In general, it can be installed wherever the parameters of the materials used in its construction allow its application.

Model | ØA [mm] |
B [mm] |
ØC [mm] |
ØD [mm] |
E [mm] |
F [mm] |
G [mm] |
M [mm] |
N [mm] |
H1 [mm] |
H2 [mm] |
Htot [mm] |
MAX [bar] |
Weight [kg]* |
---|---|---|---|---|---|---|---|---|---|---|---|---|---|---|
BP420 | 427 | 540 | 485 | 462 | 570 | 440 | 50 | 210 | 490 | 50 | 104 | 115 | 1.4/-0.9 | 8.0 |
BP490 | 495 | 610 | 540 | 532 | 575 | 475 | 65 | 210 | 560 | 50 | 119 | 135 | 1.4/-0.9 | 10.0 |
*For the standard version (H1 = 100 mm).
Frame wall thickness: 3 mm
Cover thickness: 2 mm
Technical parameters
Product series | Series B |
---|---|
Shape | Round manways |
Type | Pressure manway |
Frame height (in mm) | 100-500 mm |
Frame wall thickness (in mm) | 3.0 mm |
Opening type | Outward |
Industry | Chemical, Food production |
Size | DN300 - DN500 |
Mounting method | in the tank roof (top manways) |
Pressure | 0.5 - 2.5 bar |
Vacuum pressure | from -0.51 to -1.0 bar |
PED certificate | no |
Steel grade | AISI 304/304L, AISI 316/316L |
Gasket material | EPDM, NBR |
Handwheel material | Clamp closure |