Stainless steel rectangular manway Boyer series P13-409
Rectangular manway Boyer series P13-409 is manufactured in two versions:
- vertical (P13-409),
- horizontal (P13-410).
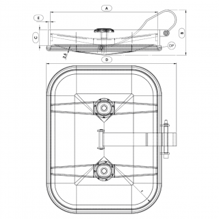
This model is designed for installation in various types of pressure vessels and process equipment. The manway cover is mounted on a properly shaped external hinge. Two handwheels ensure better sealing of the cover. The hinge allows the cover to be opened towards the inside of the tank, and also stabilizes it in the opened position.
Models P13-409 and P13-410 are designed to be built into the side wall of the tanks. The manway components are manufactured from stainless steel AISI 316L grade.
Rectangular stainless manways Boyer P13-409 and P13-410 are successfully used in all types of applications requiring high hygiene and/or increased corrosion resistance. It is possible to make a special version of the manway for use in potentially explosive areas - ATEX for non-electrical equipment.
Rectangular manway P13-409 - application
Rectangular manways Boyer P13-409 are installed in pressure tanks and process equipment. The main areas of application for this manway model are:
- food and dairy industry,
- beverage and alcohol production industry,
- vegetable and fruit processing.
Due to its universal design and wide range of available sealing materials, this manway can also be used in the areas of:
- biotechnology,
- chemical industry,
- cosmetic industry and similar areas.
About Boyer products
Products of the French manufacturer Boyer guarantee the highest quality of construction and durability. Attention to every detail in the production process results in extremely high resistance, comfort of use and beautiful design of the manways.
They are excellent for applications where it is necessary to use a product that meets the highest standards. For this reason, Boyer brand manways are among the most popular in Europe.

Model | A [mm] | C [mm] | E [mm] | B [mm] | D [mm] | MAX [bar] | Weight [kg] |
---|---|---|---|---|---|---|---|
P13-409 | 410x534 | 60 | 8 | 141 | 530 | 1.0 | 16.0 |
P13-410 | 534x410 | 60 | 8 | 155 | 613 | 1.0 | 13.0 |
Technical parameters
Product series | Boyer |
---|---|
Size | L (longer manway side between 501-700 mm) |
Shape | Rectangular manways |
Type | Pressure manway |
Frame height (in mm) | 60 mm |
Frame wall thickness (in mm) | 8.0 mm |
Opening type | Inward |
Mounting method | in the tank side wall (side manways) |
Pressure | 0.5 - 2.5 bar |
Vacuum pressure | not applicable |
PED certificate | no |
Steel grade | AISI 316/316L |
Gasket material | EPDM, NBR, Neoprene, Silicone, Silicone (high temperature - up to 250°C), Viton, Other |
Handwheel material | Plastic, INOX, Other |