Stainless steel oval manway Boyer series P21-147
Series includes: P21-147, P21-167, P21-148, P21-168
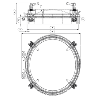
Oval manway Boyer series P21-516 is designed for installation in pressure tanks. It is available in four versions:
- vertical (P21-147, P21-167),
- horizontal (P21-148, P21-168).
The hinged manway cover is supported by two solid external hinges. Multi-point closure ensures that the assembly is properly sealed. Oval manways of this series are especially well suited for places where frequent washing or flushing of tanks is necessary. The convex cover does not retain water and facilitates its rapid runoff. When selecting a manway for a specific application, remember to take into account the parameters of the materials and components used in its construction.
Manway components are manufactured from stainless steels in grades AISI 304L and/or AISI 316L. It is possible to produce a special version of the manway for use in potentially explosive areas - ATEX for non-electrical equipment.
Oval manways series P21-147 - application
Oval pressure manways P21-147 are installed in stainless steel tanks and process equipment. The main areas of application for this manway model are:
- food and dairy industry,
- beverage and alcohol production industry,
- vegetable and fruit processing.
Due to its universal design and wide range of available sealing materials, this manway can also be used in the areas of:
- biotechnology,
- chemical industry,
- cosmetic industry and similar areas.
About Boyer products
Products of the French manufacturer Boyer guarantee the highest quality of construction and durability. Attention to every detail in the production process results in extremely high resistance, comfort of use and beautiful design of the manways.
They are excellent for applications where it is necessary to use a product that meets the highest standards. For this reason, Boyer brand manways are among the most popular in Europe.

Model | A [mm] | C [mm] | E [mm] | B [mm] | D [mm] | Handwheels | MAX [bar] |
CODAP/PED [bar] |
Weight [kg] |
---|---|---|---|---|---|---|---|---|---|
P21-147 | 411x455 | 60 | 8 | 155 | 477 | 4 | 3.0/-0.9 | 2.0 | 17.0 |
P21-167 | 411x455 | 60 | 8 | 155 | 471 | 6 | 4.5/-0.9 | 3.0 | 18.0 |
P21-148 | 455x411 | 60 | 8 | 155 | 520 | 4 | 3.0/-0.9 | 2.0 | 17.0 |
P21-168 | 455x411 | 60 | 8 | 155 | 540 | 6 | 4.5/-0.9 | 3.0 | 18.0 |
Technical parameters
Product series | Boyer |
---|---|
Size | M (longer manway side between 300-500 mm) |
Shape | Oval manways |
Type | Pressure manway |
Frame height (in mm) | 60 mm |
Frame wall thickness (in mm) | 8.0 mm |
Opening type | Outward |
Mounting method | in the tank roof (top manways), in the tank side wall (side manways) |
Pressure | 0.5 - 2.5 bar, 2.51 - 4.5 bar |
Vacuum pressure | from -0.51 to -1.0 bar |
PED certificate | yes |
Steel grade | AISI 304/304L, AISI 316/316L |
Gasket material | EPDM, NBR, Neoprene, Silicone, Silicone (high temperature - up to 250°C), Viton, Other |
Handwheel material | INOX |