Stainless steel oval manway Boyer P11-410-510
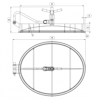
Oval manway P11-410-510, is a large pressure manway that opens inwards. The cover of the manway P11-410-510 is equipped with a solid handle and a hinge, making it easy and safe to open. The hinge is also designed to stabilize the opened cover, which makes it easier to perform maintenance works.
This model is designed to be built into the side wall of stainless steel tanks.
When selecting a manway for a specific application, be sure to consider the parameters of the materials and components used in its construction.
Oval manway P11-410-510 - application
Oval manway P11-410-510 is installed in autoclaves and hygienic process equipment. The main areas of application of this manway model are:
- food and dairy industry,
- beverage and alcohol production industry,
- vegetable and fruit processing.
Due to its universal design and wide range of available sealing materials, this manway can also be used in the areas of:
- biotechnology,
- chemical industry,
- cosmetic industry and similar areas.
About Boyer products
Products of the French manufacturer Boyer guarantee the highest quality of construction and durability. Attention to every detail in the production process results in extremely high resistance, comfort of use and beautiful design of the manways.
They are excellent for applications where it is necessary to use a product that meets the highest standards. For this reason, Boyer brand manways are among the most popular in Europe.

Model | A [mm] | C [mm] | E [mm] | B [mm] | D [mm] | MAX [bar] | CODAP/PED [bar] | Weight [kg] |
---|---|---|---|---|---|---|---|---|
P11-410-510 | 410x510 | 60 | 10 | 192 | 577 | 2.2 | 1.2 | 19.0 |
Technical parameters
Product series | Boyer |
---|---|
Size | L (longer manway side between 501-700 mm) |
Shape | Oval manways |
Type | Pressure manway |
Frame height (in mm) | 60 mm |
Frame wall thickness (in mm) | 10.0 mm |
Opening type | Inward |
Mounting method | in the tank side wall (side manways) |
Pressure | 0.5 - 2.5 bar |
Vacuum pressure | not applicable |
PED certificate | yes |
Steel grade | AISI 304/304L, AISI 316/316L |
Gasket material | EPDM, NBR, Neoprene, Silicone, Silicone (high temperature - up to 250°C), Viton, Other |
Handwheel material | INOX |