Stainless steel oval manway E128T
Stainless steel oval manway E128T for installation in the side wall of pressure vessels. Good quality materials used in the production of the manway and solid construction ensure long life. This model opens to the inside of the tank. The hinge as well as the supporting arm make the lid securely hold in the opened position.
The use of oval manway E128T
The elliptical manway type E128T is installed in stainless steel tanks used in the:
- food industry,
- dairy industry,
- beverage and concentrate production,
- cosmetics industry,
- chemical and biotechnology industries.
In addition, this type of manway is successfully used in brewing, distilling, as well as in many other applications requiring high hygiene and/or increased corrosion resistance.
When selecting a manway for a specific operating environment, the properties of the materials and components used in its construction should always be taken into account.

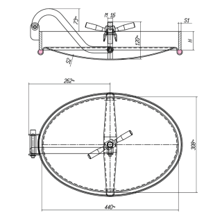
Model | H [mm] | S1 [mm] | S2 [mm] | MAX [bar] |
---|---|---|---|---|
E128/T | 60 | 8 | 2 | 3.0 |
E128T/A | 80 | 8 | 2 | 3.0 |
E128T/X | 60 | 6 | 2 | 3.0 |
E128T/X/A | 80 | 6 | 2 | 3.0 |
Technical parameters
Product series | Series E |
---|---|
Size | M (longer manway side between 300-500 mm) |
Shape | Oval manways |
Type | Pressure manway |
Frame height (in mm) | 60-80 mm |
Frame wall thickness (in mm) | 6.0-8.0 mm |
Opening type | Inward |
Industry | Chemical, Dairy, Food production, Winemaking |
Mounting method | in the tank side wall (side manways) |
Pressure | 2.51 - 4.5 bar |
Vacuum pressure | not applicable |
PED certificate | no |
Steel grade | AISI 304/304L, AISI 316/316L |
Gasket material | EPDM, Silicone |
Handwheel material | INOX |