Stainless steel oval manway E128RS
The stainless steel oval manway E128RS is a pressure construction that opens to the inside of the tank. This model is installed in the side wall of a stainless steel tank. With this type of design, it is extremely important to accurately determine the diameter of the tank in which the manway will be installed, before ordering the production. Moreover, since the E128RS model is bent exactly to the diameter of the specific tank, correction of the bend after production is not possible.
Stainless steel oval manway E128RS - application
The natural working environment for the E128RS manway are brewery tanks. It will certainly also perform well in other types of tanks used in a variety of food, dairy, beverage and distillery industries. The same is true for the cosmetic, chemical and biotechnology industries. In addition, manway type E128RS is successfully used in all types of applications requiring high hygiene and/or increased corrosion resistance.
When selecting a manway for a specific application, it is important to remember to carefully analyze its future operating environment. Certainly, this effort will result in the right choice of stainless steel grade and gasket material. The result will be the benefit of long-term and trouble-free operation of the manway installed in the tank.

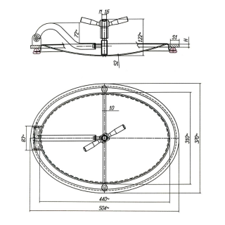
Model | H [mm] | S1 [mm] | S2 [mm] | MAX [bar] |
---|---|---|---|---|
E128RS | 10 | 30 | 2 | 2.0 |
Technical parameters
Product series | Series E |
---|---|
Size | M (longer manway side between 300-500 mm) |
Shape | Oval manways |
Type | Pressure manway |
Frame height (in mm) | 10 mm |
Frame wall thickness (in mm) | 30.0 mm |
Opening type | Inward |
Industry | Brewing, Chemical, Dairy, Food production, Winemaking |
Mounting method | in the tank side wall (side manways) |
Pressure | 0.5 - 2.5 bar |
Vacuum pressure | not applicable |
PED certificate | no |
Steel grade | AISI 304/304L, AISI 316/316L |
Gasket material | EPDM, Silicone |
Handwheel material | INOX |