Stainless steel oval manway E126/1
Stainless steel oval manway E126/1 is mounted on the outer wall of pressure tanks. It opens to the inside of the tank. The natural working environment for this model are tanks designed for storing food products. For this reason, its main area of application are tanks used in the food and beverage industry, but also dairy tanks and many, many others. Fruit and vegetable processing is also an area where an oval manway of this type will perform its task perfectly.
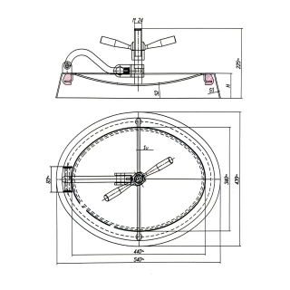
Characteristics of oval manway E126/1
The width of the E126/1 oval manway allows relatively free access to the inside of the tank during service work or inspection activities. This model is also used with good effect in the cosmetic, biotechnology and chemical industries. In general, nothing prevents it from being used in all types of applications that require high hygiene and/or increased corrosion resistance.
When selecting a manway for a specific application, always take into account the parameters and characteristics of the materials and components used in its construction.

Model | H [mm] | S1 [mm] | S2 [mm] | MAX [bar] |
---|---|---|---|---|
E126/1 | 80 | 3 | 2.5 | 2.0 |
E126/1/A | 80 | 4 | 2.5 | 2.0 |
E126/1/X | 80 | 4 | 4 | 3.0 |
Technical parameters
Product series | Series E |
---|---|
Size | M (longer manway side between 300-500 mm) |
Shape | Oval manways |
Type | Pressure manway |
Frame height (in mm) | 80 mm |
Frame wall thickness (in mm) | 3.0-4.0 mm |
Opening type | Inward |
Mounting method | in the tank side wall (side manways) |
Pressure | 0.5 - 2.5 bar, 2.51 - 4.5 bar |
Vacuum pressure | not applicable |
PED certificate | no |
Steel grade | AISI 304/304L, AISI 316/316L |
Gasket material | EPDM, Silicone |
Handwheel material | INOX |