Stainless steel oval manway E125
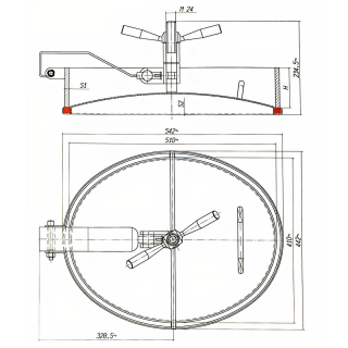
The E125 stainless steel oval manway is a model that is installed in the side wall of the tank. The manway cover opens toward the inside of the tank, and thus, once the manway is closed and the tank is filled, the pressure of the liquid contributes to the sealing of the tank.
The cover is placed on an external arm equipped with a solid hinge that guarantees safe opening and closing of the manway. The relatively large width of the opening, allows access to the inside of the tank during service work, as well as inspection of the tank.
The use of stainless steel oval manway E125
Elliptical manway type E125 is used in a wide range of stainless steel tanks, which unquestionably makes it extremely useful in:
- food industry,
- dairy industry,
- beverage and concentrate production,
- cosmetics industry,
- chemical and biotechnology industries.
In addition, the E125 manway is successfully used in brewing, distilling, as well as in all types of applications requiring increased corrosion resistance.
When selecting a manway for a specific operating environment, always consider the properties of the materials and components used in its construction.

Model | H [mm] | S1 [mm] | S2 [mm] | MAX [bar] |
---|---|---|---|---|
E125 | 60 | 10 | 2.5 | 2.0 |
E125/A | 100 | 10 | 2.5 | 2.0 |
Technical parameters
Product series | Series E |
---|---|
Size | L (longer manway side between 501-700 mm) |
Shape | Oval manways |
Type | Pressure manway |
Frame height (in mm) | 60-100 mm |
Frame wall thickness (in mm) | 10.0 mm |
Opening type | Inward |
Industry | Brewing, Chemical, Dairy, Food production, Winemaking |
Mounting method | in the tank side wall (side manways) |
Pressure | 0.5 - 2.5 bar |
Vacuum pressure | not applicable |
PED certificate | no |
Steel grade | AISI 304/304L, AISI 316/316L |
Gasket material | EPDM, NBR, Silicone, Viton |
Handwheel material | INOX |