Stainless steel oval manway C19
Oval manway C19 with dimensions of 440x310 mm is installed in the side of autoclaves, as well as other stainless steel pressure tanks. The shape of the manway, its size and pressure parameters allow it to be installed in tanks of different capacities.
The manway cover is equipped with a solid hinge, so that it opens smoothly and safely. The hinge is also designed to stabilize the cover in opened position, which in effect makes it easier to perform daily maintenance works.
Oval manways C19 - application
Oval manway C19 is installed in autoclaves and hygienic process equipment. The main areas of application of this manway model are:
- food and dairy industry,
- beverage and alcohol production industry,
- vegetable and fruit processing.
Due to its universal design and wide range of available sealing materials, this manway can also be used in the areas of:
- biotechnology,
- chemical industry,
- cosmetic industry and similar areas.

Model | A [mm] |
B [mm] |
C [mm] |
DxE [mm] |
MAX [bar] |
---|---|---|---|---|---|
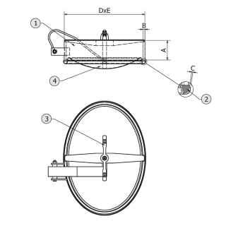
C19/A | 55 | 8 | 2 | 456x326 | 2.0 |
C19/B | 80 | 8 | 2 | 456x326 | 2.0 |
Symbol | Element |
---|---|
1 | frame |
2 | gasket |
3 | handwheel |
4 | cover |
Technical parameters
Product series | Series C |
---|---|
Size | M (longer manway side between 300-500 mm) |
Shape | Oval manways |
Type | Pressure manway |
Frame height (in mm) | 55-80 mm |
Frame wall thickness (in mm) | 8.0 mm |
Opening type | Inward |
Mounting method | in the tank side wall (side manways) |
Pressure | 0.5 - 2.5 bar |
Vacuum pressure | not applicable |
PED certificate | no |
Steel grade | AISI 304/304L, AISI 316/316L |
Gasket material | EPDM, NBR, Silicone, Viton |
Handwheel material | INOX |