Oval manway A320
The A320 oval manway is a large structure designed to be built into the side wall of the tank. An external hinge allows the cover to be opened to the inside of the tank. A stainless steel butterfly handwheel makes it easier to smoothly tighten the cover and seal the entire assembly.
This model is made in AISI 304/304L stainless steel as standard, and in AISI 316L grade steel as an option. The wide range of elastomers used for gaskets allows the manway to be used in contact with a variety of fluids and liquids.
The use of stainless steel oval manway A320
The main areas of application are:
- food industry,
- beverage and alcohol production,
- chemical and biotechnology industries.

Model | A [mm] | B [mm] | HxSP1 [mm] | HT [mm]* | SP2 [mm] | MAX [bar]* |
Weight [kg] |
---|---|---|---|---|---|---|---|
A320 | 460 | 560 |
90x3** 130x3 |
215 | 2.5 | 3.0 | 14.5 |
A320R | 460 | 560 | 215 | 3.0 | 2.0 | 15.5 |
*For the standard version (HxSP1 = 90x3 mm).
**Standard version.
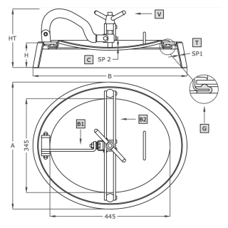
Symbol | Element |
---|---|
V | handwheel |
C | cover |
G | gasket |
T | frame |
B1 |
cross arm |
B2 |
vertical arm |
Technical parameters
Product series | Series A |
---|---|
Size | M (longer manway side between 300-500 mm) |
Shape | Oval manways |
Type | Pressure manway |
Frame height (in mm) | 90-130 mm |
Frame wall thickness (in mm) | 3.0 mm |
Opening type | Inward |
Industry | Brewing, Chemical, Dairy, Food production, Winemaking |
Mounting method | in the tank side wall (side manways) |
Pressure | 2.51 - 4.5 bar |
Vacuum pressure | not applicable |
PED certificate | no |
Steel grade | AISI 304/304L, AISI 316/316L |
Gasket material | EPDM, NBR, Neoprene, Silicone, Viton |
Handwheel material | INOX |