Oval manway A319
Oval manway A319 is a standard design for installation in the side wall of the tank. An external hinge allows the cover to be opened to the inside of the tank. The INOX butterfly handwheel makes it easier to smoothly tighten the cover and seal the entire assembly.
This model is made from AISI 304/304L stainless steel as standard, and optionally from AISI 316L grade steel. A wide range of elastomers, used for the production of gaskets, allows the manway to operate in contact with various liquids.
The use of stainless steel oval manway A319
The main areas of application are:
- food industry,
- beverage and alcohol production,
- chemical and biotechnology industries.

Model | A [mm] | B [mm] | HxSP1 [mm] | HT [mm]* | SP2 [mm] | MAX [bar]* |
Weight [kg] |
---|---|---|---|---|---|---|---|
A319 | 345 | 445 |
60x10** 80x10 100x10 130x10 |
195 | 4.0 | 5.0 | 17.0 |
*For the standard version (HxSP1 = 60x10 mm).
**Standard version.
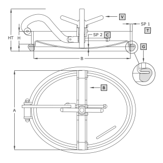
Symbol | Element |
---|---|
V | handwheel |
C | cover |
G | gasket |
T | frame |
B | arm |
Technical parameters
Product series | Series A |
---|---|
Size | M (longer manway side between 300-500 mm) |
Shape | Oval manways |
Type | Pressure manway |
Frame height (in mm) | 60-130 mm |
Frame wall thickness (in mm) | 10.0 mm |
Opening type | Inward |
Industry | Brewing, Chemical, Dairy, Food production, Winemaking |
Mounting method | in the tank side wall (side manways) |
Pressure | 4.51 - 6.5 bar |
Vacuum pressure | not applicable |
PED certificate | no |
Steel grade | AISI 304/304L, AISI 316/316L |
Gasket material | EPDM, NBR, Neoprene, Silicone, Viton |
Handwheel material | INOX |