Oval manway A317
Oval manway A317 is a standard design for installation in the side wall of the tank. An internal hinge allows the cover to be opened to the inside of the tank. The INOX M22 butterfly handwheel makes it easier to smoothly tighten the cover and seal the entire assembly.
This model is made in AISI 304/304L stainless steel as standard, and in AISI 316L grade steel as an option. Gaskets made of elastomers such as: EPDM, NBR, VMQ or FKM allow the manway to be used for a wide range of working media (liquids, fluids).
The use of stainless steel oval manway A317
The main areas of application are:
- food industry,
- beverage and alcohol production,
- chemical and biotechnology industries.

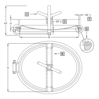
Model | A [mm] | B [mm] | HxSP1 [mm] | HT [mm]* | SP2 [mm] | MAX [bar]* |
Weight [kg] |
---|---|---|---|---|---|---|---|
A317 | 345 | 445 |
60x10** 80x10 100x10 130x10 |
223 | 4.0 | 5.0 | 16.8 |
*For the standard version (HxSP1 = 60x10 mm).
**Standard version.
Symbol | Element |
---|---|
V | handwheel |
C | cover |
G | gasket |
T | frame |
B | arm |
Technical parameters
Product series | Series A |
---|---|
Size | M (longer manway side between 300-500 mm) |
Shape | Oval manways |
Type | Pressure manway |
Frame height (in mm) | 60-130 mm |
Frame wall thickness (in mm) | 10.0 mm |
Opening type | Inward |
Mounting method | in the tank side wall (side manways) |
Pressure | 4.51 - 6.5 bar |
Vacuum pressure | not applicable |
PED certificate | no |
Steel grade | AISI 304/304L, AISI 316/316L |
Gasket material | EPDM, NBR, Silicone, Viton |
Handwheel material | INOX |