Oval manway A316
The A316 oval manway is built into the side wall of a stainless steel pressure tank and opens to the inside. During production, the manway is bent to the specific diameter of the tank, which is why it is manufactured only on request. This model is suitable for tanks with a diameter of Ø900 mm and larger.
Manway A316 is made from AISI 304/304L stainless steel as standard, and optionally from AISI 316L grade steel. A wide range of elastomers used for gaskets, allows the manway to be applied for a broad spectrum of working media (fluids, liquids).
The use of stainless steel oval manway A316
The main areas of application are:
- brewery tanks,
- fermentation industry,
- beverage, wine and spirits production,
- chemical and biotechnology industries.
The A316/A316R elliptical manways are also used successfully in other applications, provided that the operating environment is suitable in terms of the properties of the materials used in their construction.

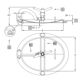
Model | A [mm] | B [mm] | HxSP1 [mm] | HT [mm] | SP2 [mm] | MAX [bar] | Waga [kg] |
---|---|---|---|---|---|---|---|
A316 | 345 | 445 |
40x8 Ø ≥ 900 mm* |
175 | 3.0 | 3.0 | 12.0 |
A316R | 345 | 445 | 175 | 3.5 | 3.5 | 13.0 |
*Tank diameter.
Symbol | Element |
---|---|
V | pokrętło |
C | pokrywa |
G | uszczelka |
T | kołnierz |
B1 | ramię poprzeczne |
B2 | ramię pionowe |
Technical parameters
Product series | Series A |
---|---|
Size | M (longer manway side between 300-500 mm) |
Shape | Oval manways |
Type | Pressure manway |
Frame height (in mm) | 40 mm |
Frame wall thickness (in mm) | 8.0 mm |
Opening type | Inward |
Industry | Brewing, Chemical, Dairy, Food production, Winemaking |
Mounting method | in the tank side wall (side manways) |
Pressure | 2.51 - 4.5 bar |
Vacuum pressure | not applicable |
PED certificate | no |
Steel grade | AISI 304/304L, AISI 316/316L |
Gasket material | EPDM, NBR, Neoprene, Silicone, Viton |
Handwheel material | INOX |