Oval manway A314
Oval manway A314 for pressure tanks. The manway is mounted on a hinge, allowing it to open towards the inside of the tank.
This manway is built into the side wall of stainless steel tanks, usually at the bottom part. The A314 oval manway complies with the requirements of the P.E.D. 2014/68/EU pressure directive. It is delivered with the corresponding passport, confirming the performance parameters.
As standard, this manway is equipped with an EPDM gasket designed for food contact (FDA). Besides the standard EPDM gasket, other materials are also available, which ensure that the manway can be resistant to a wide variety of media and a wide range of operating temperatures.
The gasket is located on the edge of the cover. A large range of available mounting frame heights allows the A310 manway to be successfully installed in pressure tanks covered with thermal insulation.
The use of stainless steel oval manway A314
The main areas of application are:
- food industry,
- beverage and alcohol production,
- chemical and biotechnology industries,
- pressure process tanks.

Model | A [mm] | B [mm] | HxSP1 [mm] | HT [mm]* | SP2 [mm] | MAX [bar]* |
Weight [kg] |
---|---|---|---|---|---|---|---|
A314 | 400 | 490 |
100x12** 130x12 150x12 200x12 |
270 | 6.0 | 10.0 | 28.0 |
*For the standard version (HxSP1 = 100x12 mm).
**Standard version.
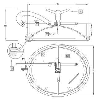
Symbol | Element |
---|---|
V | handwheel |
C | cover |
G | gasket |
T | frame |
B1 | vertical arm |
B2 |
cross arm |
Technical parameters
Product series | Series A |
---|---|
Size | M (longer manway side between 300-500 mm) |
Shape | Oval manways |
Frame height (in mm) | 100-200 mm |
Frame wall thickness (in mm) | 12.0 mm |
Opening type | Inward |
Mounting method | in the tank side wall (side manways) |
Pressure | above 8.5 bar |
Vacuum pressure | not applicable |
PED certificate | yes |
Steel grade | AISI 304/304L, AISI 316/316L |
Gasket material | EPDM, NBR, Silicone, Viton |
Handwheel material | INOX |