Oval manway A309IG
Oval manway A309IG, is a model with a unique construction, optimized to achieve a hygienic environment in the tank. It is built into the side wall of stainless steel pressure tanks designed for liquid or bulk food products. The cover opens to the inside of the tank.
During production, the manway is bent to a specific diameter of the tank, so it is produced only on individual request. This model is suitable for tanks with a diameter of Ø700 mm and above.
Hygienic manway with special design. Appropriate curvature, the absence of manhole elements sticking out inside the tank, and hand-finishing of manhole elements, eliminate the possibility of microbiological contamination of the product.
This model is made from AISI 304/304L stainless steel as standard, and optionally from AISI 316L grade steel. A wide range of elastomers used in the production of gaskets, allows the manway to be applied to a broad spectrum of fluids and liquids.
The use of stainless steel oval manway A309IG
The main areas of application are:
- food storage tanks,
- applications requiring hygiene,
- beverage, wine and alcohol production,
- cosmetics and biotechnology industries.
The A309IG elliptical manway is also used successfully in other applications, provided the operating environment is suitable for the properties of the materials used in its construction.

Model | A [mm] | B [mm] | HxSP1 [mm] | HT [mm] | SP2 [mm] | MAX [bar] |
Weight [kg] |
---|---|---|---|---|---|---|---|
A309IG | 345 | 445 |
40x8 Ø ≥ 700 mm* |
230 | 4.0 | 3.0 | 14.5 |
*Tank diameter.
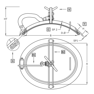
Symbol | Element |
---|---|
V | handwheel |
C | cover |
G | gasket |
T | frame |
B1 | cross arm |
B2 | vertical arm |
Technical parameters
Product series | Series A |
---|---|
Size | M (longer manway side between 300-500 mm) |
Shape | Oval manways |
Type | Pressure manway |
Frame height (in mm) | 40 mm |
Frame wall thickness (in mm) | 8.0 mm |
Opening type | Inward |
Industry | Brewing, Chemical, Dairy, Food production, Pharmaceutical, Winemaking |
Mounting method | in the tank side wall (side manways) |
Pressure | 2.51 - 4.5 bar |
Vacuum pressure | not applicable |
PED certificate | no |
Steel grade | AISI 304/304L, AISI 316/316L |
Gasket material | EPDM, NBR, Neoprene, Silicone, Viton |
Handwheel material | Plastic, INOX |