Oval manway A308
Oval manway A308 is built into the side wall of a stainless steel pressure tank and opens to the inside. During production, the manway is bent to the specific diameter of the tank, which is why it is manufactured only on request. This model is suitable for tanks with a diameter of Ø900 mm and larger.
The A308 manway is made in AISI 304/304L stainless steel as standard, and in AISI 316L grade steel as an option. A wide range of elastomers used for gaskets, allows the manway to be used for a wide range of working media (liquids, fluids).
The use of stainless steel oval manway A308
The main areas of application are:
- brewery tanks,
- fermentation industry,
- beverage, wine and spirits production,
- chemical and biotechnology industries.
The A308/A308R elliptical manways are also used successfully in other applications, provided that the operating environment is suitable in terms of the properties of the materials used in their construction.

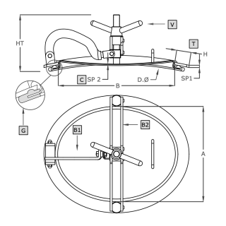
Model | A [mm] | B [mm] | HxSP1 [mm] | HT [mm] | SP2 [mm] | MAX [bar] |
Weight [kg] |
---|---|---|---|---|---|---|---|
A308 | 345 | 445 |
40x8 Ø ≥ 900 mm* |
175 | 3.0 | 3.0 | 12.0 |
A308R | 345 | 445 | 175 | 4.0 | 3.5 | 13.0 |
*Tank diameter.
Symbol | Element |
---|---|
V | handwheel |
C | cover |
G | gasket |
T | frame |
B | arm |
Technical parameters
Product series | Series A |
---|---|
Size | M (longer manway side between 300-500 mm) |
Shape | Oval manways |
Type | Pressure manway |
Frame height (in mm) | 40 mm |
Frame wall thickness (in mm) | 8.0 mm |
Opening type | Inward |
Mounting method | in the tank side wall (side manways) |
Pressure | 2.51 - 4.5 bar |
Vacuum pressure | not applicable |
PED certificate | no |
Steel grade | AISI 304/304L, AISI 316/316L |
Gasket material | EPDM, NBR, Neoprene, Silicone, Viton |
Handwheel material | INOX |