Oval manway A306
The A306 oval manway is a standard design for installation in the side wall of the tank. An external hinge allows the cover to be opened to the inside. A large plastic hanwheel (standard) or optional M16 handwheel, make it easier to efficiently tighten the entire assembly.
This model is made of AISI 304/304L stainless steel as standard, and optional AISI 316L grade steel. A wide range of elastomers used in the production of gaskets, allows the manway to be used for a variety of working environments (fluids, liquids).
The use of stainless steel oval manway A306
The main area of application is:
- food industry,
- beverage and alcohol production,
- chemical and biotechnology industries.
With good results, the manway can be used wherever the parameters of the materials used in its construction allow its application.

Model | A [mm] | B [mm] | HxSP1 [mm] | HT [mm]* | SP2 [mm] | MAX [bar]* |
Weight [kg] |
---|---|---|---|---|---|---|---|
A306 | 305 | 430 |
60x6** 80x6 100x6 |
165 | 1.5 | 2.0 | 7.1 |
A306R | 305 | 430 | 165 | 2.0 | 2.0 | 8.0 |
*For the standard version (HxSP1 = 60x6 mm).
**Standard version.
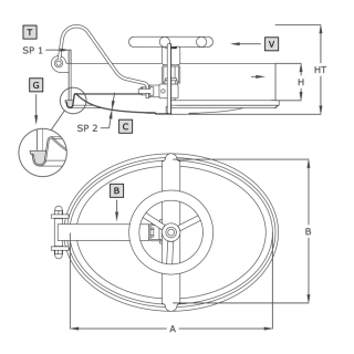
Symbol | Element |
---|---|
V | handwheel |
C | cover |
G | gasket |
T | frame |
B | arm |
Technical parameters
Product series | Series A |
---|---|
Size | M (longer manway side between 300-500 mm) |
Shape | Oval manways |
Type | Pressure manway |
Frame height (in mm) | 60-100 mm |
Frame wall thickness (in mm) | 6.0 mm |
Opening type | Inward |
Mounting method | in the tank side wall (side manways) |
Pressure | 0.5 - 2.5 bar |
Vacuum pressure | not applicable |
PED certificate | no |
Steel grade | AISI 304/304L, AISI 316/316L |
Gasket material | EPDM, NBR, Neoprene, Silicone, Viton |
Handwheel material | Plastic, INOX |